Характеристики
Kroks Rt-Brd RSIM e - это готовое решение с поддержкой модемов форм-фактора mini pci-e для установки в антенну или гермобокс.
Роутер поставляется БЕЗ модема. Поддерживает работу с SIM-инжектором.
Список совместимых модемов:
- Quectel EP06
- MEIGLink SLM828
Роутер поддерживает работу с двумя SIM картами для резервирования мобильного интернет канала. При этом одновременно работает только одна SIM-карта, а переключение на резервную происходит по заранее заданным параметрам в настройках роутера.
Установка SIM-карт
Установка SIM-карт в роутер происходит уголком наружу, контактами вниз. Роутер поддерживает установку двух SIM-карт, в таком случае они будут устанавливаться параллельно друг другу, но на разной высоте.

Роутер работает только совместно с внешней 3G/4G антенной. Например с панельной 3G/4G антенной или компактные всенаправленные антенны. Не допускается включение устройства без антенн MAIN и DIV.
Преимущества роутера Kroks Rt-Brd RSIM e:
- поддерживает работу с SIM-инжектором.
- работает с SIM-картами любого оператора с тарифами для модема
- поддерживает две SIM-карты формата micro-SIM для резервирования интернет канала (одновременно работает только одна SIM-карта)
- LAN порты 100 Мбит/c обеспечат высокую скорость для сетевых устройств: Smart TV, игровая консоль, NAS, видеонаблюдение и т. д.
- Ethernet порт роутера позволяет подключиться к проводному Интернет-провайдеру и, при необходимости, организовать резервирование интернета через мобильного оператора
- WiFi позволяют одновременно создавать две сети со скоростью до 300 Мбит/с на 2,4 ГГц
- поддерживает одновременную работу до 15 беспроводных устройств
ОСНОВНЫЕ ХАРАКТЕРИСТИКИ
- процессор MT7628 580 МГц одно ядро
- память ОЗУ 64 MB
- память ПЗУ 16 MB
- Ethernet 10/100 Мбит/c
- диапазон рабочих температур от -40 до +50оС
- потребляемая мощность 15 Вт
РАЗЪЕМЫ И ИНТЕРФЕЙСЫ
- LAN порт Ethernet 10/100 Мбит/с - 2шт
- разъем RP-SMA(female) для подключения Wi-Fi антенны - 2шт
- слот SIM-карты формата micro-SIM - 2шт
- кнопка сброса настроек
- разъем питания DC под штекер 2,1х5,5 мм
- переключатель подачи питания в порт LAN2
ПИТАНИЕ
Роутер поддерживает два варианта питания:
- по технологии Passive PoE напряжением 24В через порт LAN1 (4,5 пара "+", 7,8 пара "-")
- через DC разъем постоянным током напряжением 12-24В

ПОДДЕРЖКА WiFi
Обратите внимание, в данном устройстве по умолчанию отключен Wi-Fi. При необходимости его можно включить в веб интерфейсе роутера.
Мощность передатчика: 20 дБм (100 мВт)
- поддерживает WiFi на частотах 2,4ГГц
- скорость Wi-Fi 2,4 ГГц - 300 Мбит/с
- преднастроенная защита Wi-Fi
- типы шифрования WPA-PSK, WPA2-PSK, WPA2-Enterprise, WPA3-PSK, WPA3-Enterprise, OWE
- Multi-SSID и гостевая сеть
- контроль доступа по MAC-адресам
ВОЗМОЖНОСТИ И ПРОТОКОЛЫ
Поддержка в базовой версии ПО:
- IPoE, PPPoE, PPTP, L2TP, 802.1x
- контроль соединения Ping checker
- транзит PPPoE/PPTP/L2TP
- VLAN IEEE 802.1Q
- таблица маршрутов (DHCP/Ручная)
- DHCP (клиент/сервер)
- IPv6/IPV4 Dual Stack
- NAT
- L2TPv2
- ручное перенаправление портов
- межсетевой экран SPI с защитой от DoS-атак
- EOIP (Ethernet-over-IP)
- клиент PPTP
- клиент L2TP over IPSec
- клиент SSTP
- Wireguard
- IP-IP, GRE
- HTTPS-защита доступа
- родительский контроль
Поддержка дополнительных функций(требуется самостоятельная установка и настройка пакетов):
- сервер PPTP
- сервер L2TP over IPSec
- клиент/сервер OpenVPN
- клиент/сервер IPSec VPN
- Policy routing
- IGMP
- UDP to HTTP proxy
- Multi-WAN
- Policy routing
- резервирование интернет-подключения
- статистика трафика по клиентам
- ограничение скорости по клиентам
- UPnP
- L2TPv3
- клиент Dynamic DNS
- интернет-фильтр Яндекс.DNS
Модем, антенны, гермобоксы, SIM-инжектор, блок питания, кабельные сборки и пигтейлы для подключения роутера не входят в комплект поставки и приобретаются отдельно!
|
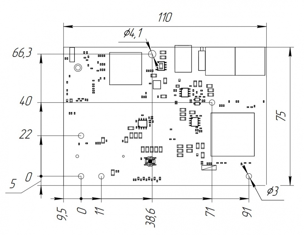
Габариты (длина , ширина , высота ), мм
|
110
x
75
x
20
|
Габариты, вес, количество товара в упаковке:
|
Размеры индивидуальной упаковки (длина , ширина , высота ), мм
|
120
x
100
x
30
|
|
Масса в индивидуальной упаковке, грамм
|
150
|
Роутеры:
|
Тип питания
|
PoE-24
|
|
Стационарный БП
|
||
|
Количество LAN портов
|
2
|
|
Количество SIM-карт
|
2
|
|
Интерфейсы
|
LAN
|
|
WiFi 2,4 ГГц
|
||
|
Поддержка SIM-инжектора
|
Есть
|
Комплектация:
|
Роутер Kroks Rt-Brd RSIM e
|
|
Руководство по эксплуатации (паспорт)
|
|
Упаковка
|