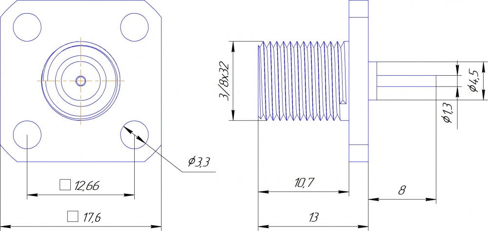
ВЧ разъём F - типа, розетка(мама), для установки на панель, фланец под четыре винта.
Минимальный заказ от 100шт
*Разъем имеет КСВ<2 в частотном диапазоне до 6 ГГц.
В диапазоне от 6 до 12 ГГц КСВ разъема может быть больше 2.
Разъемы, переходники, аттенюаторы- характеристики:
|
Тип разъема
|
F
|
|
Тип исполнения
|
Прямой
|
|
Тип монтажа
|
Приборный фланцевый
|
|
Назначение
|
Розетка (мама)
|
|
Волновое сопротивление
|
75 Ом
|
|
Герметичность
|
Герметичный
|